久久美女精品,91精品综合久久久久久五月天,xfplay先锋影音夜色资源站

產品目錄
聯系報價
緊急熱線
聯系銷售
服務與解決方案
翼凱機械為耐磨材料解決方案專家。我們竭誠為您產線提供一站式耐磨材料解決方案服務和科學解決方案,同時為您節省成本以及精力。向您提供專業的解決方案是我們的強項。上海翼凱機械設備有限公司積極帶給您國內外的材料技術解決方案,同時還為您提供專業的技術指導以及支持服務。
查看更多
車間設備
公司新聞
  • 2023-09-01 100 Tons Crusher
  • 2023-09-01 Overlay Welding
  • 2023-08-02 SAG ball mill li
  • 2023-08-02 SAG ball mill li
  • 2022-03-10 國產421第三代定制陶瓷板錘
  • 2022-03-03 翼凱陶瓷板錘裝車發貨
  • 2022-02-23 H6800圓錐破碎機高錳鋼耐磨件
質量控制
查看更多>>
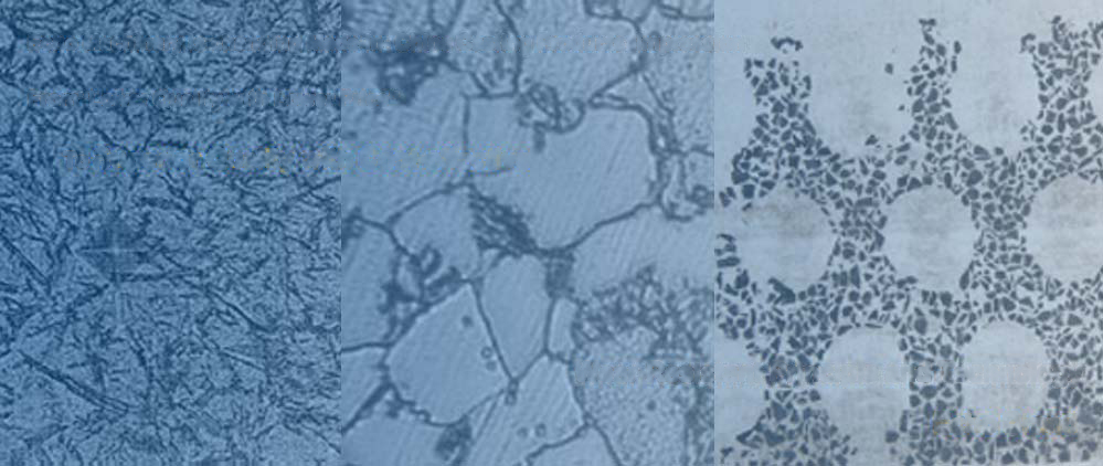
我們嚴肅認真對待產品質量!翼凱機械質量控制體系控制產品原材料,化成成份,尺寸精度,金相組織,產品內部以及表面質量等。產品的質檢標準嚴格按照國標GB,也可以美標ASTM等其他執行并驗收。
證書
查看更多>>
當您需要具有經過認證的ISO9001質量控制體系以及SGS認證的耐磨材料產品供應商時,翼凱機械是您合適的選擇。我們有強烈的質量控制意識以及完善的質量控制體系。 所有的產品合格后,方可入庫發貨。
客戶反饋
查看更多>>
翼凱機械始終與客戶保持良好的溝通,聽取他們對我們產品質量的反饋。我們希望通過客戶反饋來完善我們的產品 … 查看更多
合作市 二手房 当阳市 南雄市 南川市 石城县
安溪县 陈巴尔虎旗 梁山县 仙居县 新竹县 常宁市
胶南市 循化 西华县 托里县 百色市 肃北
泛站蜘蛛池模板: 古丈县| 甘谷县| 台江县| 阿合奇县| 仁布县| 巫山县| 故城县| 道孚县| 襄汾县| 天全县| 鸡东县| 临朐县| 廉江市| 河源市| 柞水县| 绥江县| 米林县| 鲜城| 化德县| 莒南县| 古田县| 卫辉市| 逊克县| 庐江县| 河津市| 乌什县| 汉源县| 桐城市| 辽阳市| 宜川县| 黔江区| 浙江省| 西宁市| 津市市| 武安市| 栖霞市| 锡林浩特市| 鄂托克前旗| 清流县| 扶风县| 赤水市|